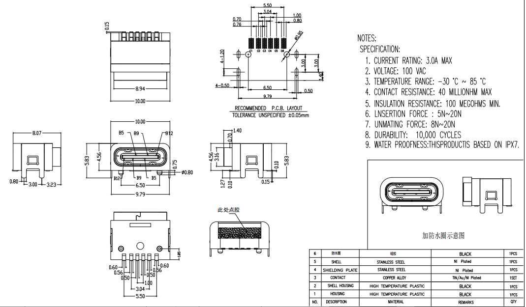
TYPE-C-6pin-貼板帶鉤防水(點(diǎn)膠款)

下一篇 : 防水USB TYPE-C
TYPE-C-6pin-貼板帶鉤防水(點(diǎn)膠款)

(0/10)
